Реле 102 на т4 за что отвечает
Дизелистам на заметку. Реле свечей накала №102 фирмы TOPRAN
А вот то что я приобрел в магазине
Отдавал я на то время приличные деньги за него что то около 10$, но… Но эта падла не работает как положено а тупо греет 30 секунд свечи и отключает, не зависимо от температуры ОЖ и состояния двигателя. Хотел ее вернуть в магаз но к сожалению так и не нашел чек покупки, вот и валяется третий год без дела. Штатное реле я давно реанимировал успешно, оно до сих пор работает исправно, а вот с этим решил провести вскрытие и изучить его по подробнее. Собственно что мы тут видим, а видим чудо из китайских подвалов с отвратительным качеством монтажа, пайки, и 8 ногим микробом с затертой маркировкой.
По скольку я с паяльником на ТЫ уже лет с 8, то бегло осмотрев плату пришел к выводу что это простой таймер НЕ555 включенный по типовой схеме. Тобишь микруха тупо отсчитывает 30 секунд и обрубает реле, лампа на приборке горит ровно столько же. Очень улыбнули силовые дорожки и контакты реле, меня грызут большие сомнения что они смогут выдержать 50-70А тока.
Видно что Плата собрана из 2х частей и спаяна буквой «Г», родное реле имеет прямой подвод контактов к плате, а плата по направляющим вставляется и фиксируется внутри корпуса. Сдесь же просто спаяно, и через не долгий промежуток времени плата оторвется или вместе с дорожками или треснет пайка, плата в корпусе свободно болтается.
Собственно к чему пишу эту длинную запись, не покупайте ни когда это откровенное Г… уж лучше «рубильник» аккуратно оформленный. Спасибо, что читали БЖ всем удачи и пока.
Не работают свечи накала? фольксваген транспортер т4 аав 2.4 1995 г.в.
Это Не работают свечи накала? или не правильно что то выставлено? или выработка такая что ни чем не исправить))) фольксваген транспортер т4 аав 2.4 1995 г.в.
Датчики (на ААВ) стоят в районе генератора, на патрубке, сверху и снизу. Надо отодвинуть радиатор. 4-х и 2-х контактные, за свечи отвечает 2-х контактный. Прозвони на обрыв. хотя по симптомам у тебя похоже на сам датчик. При обрыве реле не видя температуру тупо думает что движок холодный и греет свечи всегда, тогда как у тебя наоборот он видит горячий всегда двигатель. Значит если сдёрнуть фишку с датчика и заработают свечи — виноват датчик.
HolDeR » 06.01.2008, 13:39:26 #59
Менял свечи накала на ААВ. Занимался таким счастьем 5 часов, и удалось заменит все 5. Думаю с определенными навыками можно уложиться часа за 3.
Коротко добавлю к сообщениям ASN@ ( viewtopic.php?t=173&postdays=0&postorder=asc&start=15 ) и пельмень ( viewtopic.php?t=173&postdays=0&postorder=asc&start=75 )
уже написавшим в этой теме:
— снимал защиту двигателя (и выдвигал радиатор) — это что б вопросов ни у кого не возникло 🙂 ;
— открутил все топливные трубки от ТНВД к форсунакам (обратку тоже снимал)
— чтоб не мешали провода — отсоеденил все разъемы (сверху и снизу) и прикрепил их снизу ТНВД чтоб не мешали.
— к первой свече можно подлезть снизу, не снимая генератор (использовал рожковый ключ). Сразу скажу, что генератор лучше снять, заменить 1 и 2 свечи намного проще, после этого.
— вторую и третью свечу менял не снимая вакуумный насос, но лучше его снять — было бы меньше мучений. В основном крутил снизу рожковым ключом;
— четвертая — накидным ключом сверху и сбоку слева;
— пятая — снял кожух ремня ТНВД. затем сбоку справа (так сказать через ремень) накидным ключам открутил свечу. Можно сверху — только придется ключ чаще перекидывать. головкой к этой свече не подлезть. Замучался прикручивать маленькую гаечку на свечку, та что провод держит. Постоянно вываливалась из рук. Лучше иметь магнитный инструмент под рукой — что б её обратной поднять.
[b] Добавлю спустя год[/b]
Менял опять свечи (тех хватило только на год). в этот раз менял в гараже без ямы. Поддомкратить машину не было возможности — так как имелся очень низкий потолок и мешала несущая балка. Что делал:
— Снял передний бампер (благо он там очень леко снимаеться: два болта под номером и еще по два по бокам (там болт с внутреней звездочкой — запаситесь заранее ключом).
— снял защиту (со снятым бампером снимаеться очень легко — даже машину не нужно приподымать)
— откинул радиатор
То что делал дальше можно не далать, но я сделал и получилось еще проще:
— Снял корпуса фильтров, правую фару.
— Выбил крепления (4 шт.) — по бокам радиатора. и снял радиатор с крепежей.
— Отсоединил шланг ГУР (слева), отверстия заткнул тряпкой.
— отсоединил шланг охлаждающей жидкости (от расширительного бачка) отверстия заткнул тряпкой.
— радиатор отодвинул вперед и налево (по ходу движения авто) — как калитку. Закрепил его что б не упал. охлаждающую жидкость не сливал.
После это доступ к свечам стал очень простой.
На вся операцию по снятию радиатора потратил около 1 часа (30 минут снятие и еще 30 установка. Делал один. Но с помощником было бы быстрее.
на замену свечей у меня одного ушло в этот раз чуть более 4-х часов.
[b]Спустя 2 года.[/b] Опять менял свечи. (пробег за год около 30 т.км.)
— На этот раз открутил форсунки.
Какой я был дурак. Как легко менять свечи со снятыми форсунками!
П.С, Заодно на форсунках поменял распылители.
FANCLUB-VW-BUS.RU
Клуб фанатов микроавтобусов VW
Реле свечей накала?
Реле свечей накала?
Сообщение KAREL55 » 25 мар 2012, 22:51
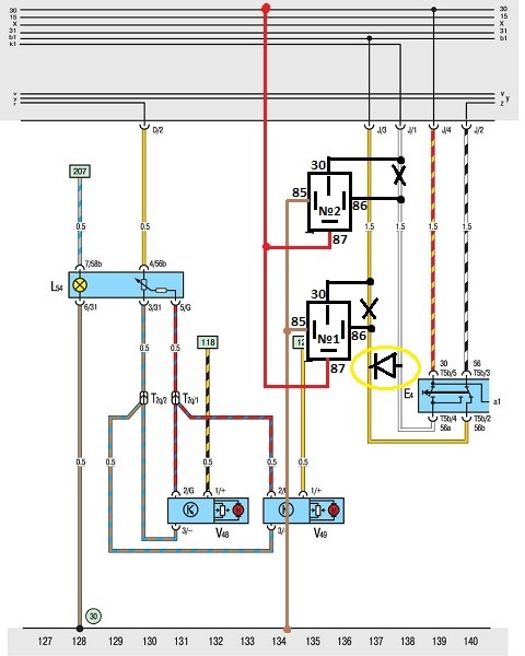
Всем привет,добрался в своём бусе до проводки,а именно до релюшки свечей,провода все оборваны,приходит на неё только один толстый от предохранителя.Стоит три датчика температуры,куда от них кидать провода?с какого идёт на реле,а с какого на торпеду.
Добавлено спустя 4 минуты 11 секунд:
Вот для наглядности к 87 приходит провод от предохранителя.
Re: Реле свечей накала?
Сообщение MOvS » 25 мар 2012, 22:51
Re: Реле свечей накала?
Сообщение KAREL55 » 25 мар 2012, 22:54
Re: Реле свечей накала?
Сообщение KAREL55 » 26 мар 2012, 09:18
Re: Реле свечей накала?
Сообщение K0VALEV » 26 мар 2012, 11:25
Re: Реле свечей накала?
Сообщение KAREL55 » 26 мар 2012, 20:05
По этому и спрашиваю,я тоже уже проходил такое замыкание.
Добавлено спустя 3 часа 10 минут 42 секунды:
Re: Реле свечей накала?
Сообщение KAREL55 » 27 мар 2012, 10:05
Re: Реле свечей накала?
Сообщение юрасик » 27 мар 2012, 11:10
Re: Реле свечей накала?
Сообщение SergPassSyn » 27 мар 2012, 13:19
KAREL55 писал(а): По этому и спрашиваю,я тоже уже проходил такое замыкание.
Добавлено спустя 3 часа 10 минут 42 секунды:
Re: Реле свечей накала?
Сообщение YURA822 » 27 мар 2012, 15:05
Re: Реле свечей накала?
Сообщение Dимон » 27 мар 2012, 17:15
Re: Реле свечей накала?
Сообщение KAREL55 » 27 мар 2012, 17:32
Re: Реле свечей накала?
Сообщение K0VALEV » 27 мар 2012, 17:33
Re: Реле свечей накала?
Сообщение Dимон » 27 мар 2012, 17:58
Re: Реле свечей накала?
Сообщение olezhok » 27 мар 2012, 18:02
Re: Реле свечей накала?
Сообщение KAREL55 » 28 мар 2012, 09:34
Re: Реле свечей накала?
Сообщение SergPassSyn » 28 мар 2012, 12:35
Re: Реле свечей накала?
Сообщение юрасик » 28 мар 2012, 13:02
Re: Реле свечей накала?
Сообщение kazap » 28 мар 2012, 13:22
Re: Реле свечей накала?
Сообщение KAREL55 » 28 мар 2012, 14:38
Карлсон это я так понимаю вентилятор радиатора
Реле на свет VW T-4
Как извесно на автомобилях у которых отсутствуют реле света, свет фар оставляет желать лучшего потому что при номинальном напряжении в бортсети автомобиля около 14в, к фарам доходит плюс минус на 1в меньше. Иногда просадка может достигать и больше одного вольта. Особенно это проявляется на старых машинах где проводка, контакты и переключатели уже устали пропускать через себя напряжение. Вот именно на них и происходит падение напряжения. Но не все потеряно, можно поставить реле в цепь питания ламп. На моем т-4 разница напряжения на аккумуляторе и фарах была 1.2в. После установки реле разница составила 0.1 в. Свет стал намного лучше.Вот небольшой отчетик.
Сначала схемка
Снимаем кожух подрулевых переключателей и слевой стороны видим разьем
Снимаем акуратно изоленту и в пучке проводов находим толстый красный провод идущий к замку зажигания, это будет +
Дальше в этом же пучке находим коричневый, Это будет масса он-же минус
Дальше находим желтый провод идущий от разьема в первом фото он отвечает за ближний свет. Разрезаем его и подключаем провод который уходит к блоку предохранителей к 30 контакту реле
Второй конец желтого провода который идет к подрулевому разьему подключаем к 86 контакту реле
Также поступаем с проводом дальнего света он белого цвета
Проверяем работоспособность и если все работает то обматываем изолентой
Ремонт 109 реле.
Маленькая пред история. Ехал, остановился, заглушил. Через 5 мин не могу завестись…Стартер крутит, как бешеный, а толку ноль. Меня и на буксире тягали, тоже нифига. После опытным путём выявил виновника.
109 реле отвечает за включение электромагнитного клапана на ТНВД. И также без него нельзя подключиться через провод с ноутбуком к двигателю.
Собственно само реле
В кружке показан треснутый контакт
Ну и макро фото, тут видно очень хорошо.
С пластмассовой площадкой, в которую вставлены ноги реле, все сидят жёстко, но стоит её снять(снимается легко) сразу одна нога стала болтаться. это видно на видео
Обратно одел пластмассовую площадку и пропаял этот контакт. Всё вернулось в норму.
Volkswagen Transporter 1999, двигатель дизельный 2.5 л., 102 л. с., передний привод, механическая коробка передач — электроника
Машины в продаже
Комментарии 23
Спасибо за информацию!
Столкнулся с такой проблемой, не стали свечи срабатывать, крутишь стартер и не запускается.Сначала подумал на 103 реле, но нет.Разобрал 109, также как у вас пайка треснула, пропаял и свечи накаливания заработали.Предвестники были беды, на горячую заглушил на пару минут, снова запускать и никак, пошевелил блок предохранителей и запустился.А одним прекрасным утром вовсе отказался запускаться.
Парни подскажите, где конкретно стоит 109 реле, сосед приехал домой заглушил и больше не заводиться.
Карман слева от водителя, там предохранители и релюхи





























